EDM Recast Layer: How MSI Lab Helps Manufacturers Identify and Eliminate Critical Defects

Electrical Discharge Machining (EDM) creates precision features impossible to achieve through conventional machining—but it also introduces a hidden challenge that quality managers must understand. The EDM recast layer, a thin altered zone on machined surfaces, can compromise component performance in high-stress applications. At Metallurgical Solutions, Inc. (MSI Lab) we partner with manufacturers to identify, measure, and help eliminate these potentially dangerous defects before parts reach service.

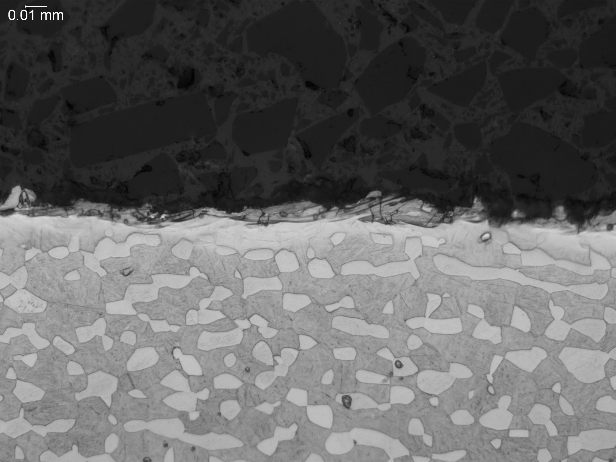
See below for photomicrographic examples of EDM recast layer from our lab. View our Gallery page for more examples of what we do!

Understanding EDM and the Recast Layer Formation

EDM removes material through controlled electrical sparks in a dielectric fluid. Each spark creates a tiny crater, melting and vaporizing metal at temperatures exceeding 10,000°F. This extreme heat inevitably affects the surrounding material, creating two distinct zones that concern quality engineers:

Recast Layer (White Layer): Molten metal that doesn't vaporize resolidifies on the machined surface, forming a brittle, high-hardness layer typically 0.0001" to 0.002" thick. This rapidly cooled material exhibits entirely different properties than the base metal—higher hardness, increased brittleness, and often containing microcracks and porosity.

Heat-Affected Zone (HAZ): Beneath the recast layer lies material that didn't melt but experienced sufficient heating to alter its microstructure and properties. This zone extends deeper than the visible recast layer, potentially affecting material several thousandths of an inch below the surface.

For components subjected to cyclic loading, corrosive environments, or high temperatures, these altered surface zones create failure initiation sites that can compromise part reliability.

Why the EDM Recast Layer Matters

Quality managers in aerospace, medical device manufacturing, power generation, and other critical industries face stringent specifications that explicitly limit or prohibit recast layers. The reasons become clear when examining how this defect affects component performance:

Fatigue Life Reduction: Microcracks in the recast layer provide ready-made stress concentrators. Under cyclic loading, cracks propagate from these defects, dramatically reducing fatigue life. For rotating components like turbine blades or high-stress fasteners, the brittle nature of recast layers combined with high residual stresses accelerates crack initiation and propagation.

Stress Corrosion Cracking: The recast layer's altered chemistry and high residual stresses make it particularly susceptible to stress corrosion cracking in hostile environments. Components exposed to high temperatures, corrosive fluids, or both often fail prematurely when recast layers remain.

Dimensional Uncertainty: Recast material swells slightly during formation, affecting final dimensions. For precision applications requiring tight tolerances, the recast layer introduces measurement uncertainty that complicates quality control.

Coating Adhesion Problems: When components require protective coatings, recast layers interfere with proper adhesion. The porous, contaminated surface doesn't provide the clean substrate needed for reliable coating performance.

MSI Lab's Approach to EDM Recast Layer Analysis

Identifying and measuring recast layers requires specialized metallographic techniques that go beyond standard inspection methods. Our process provides the detailed documentation quality managers need:

Cross-Sectional Metallography: We section parts through suspected EDM surfaces, mount specimens, and polish them to reveal the recast layer in cross-section. This destructive but definitive approach shows the actual layer thickness and microstructure.

Microstructure Characterization: Using optical and scanning electron microscopy, we document the recast layer's appearance, measure its thickness at multiple locations, and identify characteristic features like microcracks, porosity, and inclusions.

Microhardness Profiling: Hardness measurements across the affected zone quantify property changes from surface through the heat-affected zone to unaffected base material. These profiles help predict how the altered layer might affect component performance.

Chemical Analysis: When contamination is suspected, we can perform microanalysis to identify foreign elements incorporated during the EDM process—particularly carbon from decomposed dielectric fluid.

When Quality Managers Need Recast Layer Analysis

Our EDM recast layer analysis services address several critical scenarios:

Supplier Verification: Confirm suppliers met "recast layer removed" specifications before parts enter production.

Process Validation: Verify your finishing procedures—mechanical polishing, chemical etching, or electrochemical methods—effectively remove recast layers.

Failure Investigation: Determine if inadequate recast removal contributed to component failures.

New Process Qualification: Validate that process changes consistently produce acceptable surfaces.

The Aerospace and Defense Connection

For aerospace and defense manufacturers, recast layer control is mandatory. Specifications like MIL-STD-2175 and Boeing BAC 5550 explicitly address EDM surface quality. MSI Lab's GE S-400 certification ensures our analysis meets these stringent aerospace standards.

Located near Wright-Patterson Air Force Base, we understand the documentation, traceability, and quality requirements defense contractors face.

Beyond Pass/Fail: Actionable Analysis

Quality managers need more than a simple "recast layer present" finding. Our reports provide:

  • Measured thickness at multiple locations with statistical analysis

  • Comparison to specification limits with clear pass/fail determination

  • Photomicrographs showing layer appearance and defects

  • Recommendations for process improvements when problems appear

  • Documentation meeting AS9100 and ISO quality system requirements

This comprehensive approach helps you make informed decisions about material disposition, supplier qualification, and process adjustments.

Partner with Local Expertise

MSI Lab's location in Dayton, Ohio, provides manufacturers throughout the region with convenient access to expert metallographic analysis. Whether you're a precision machining shop qualifying a new EDM process or an aerospace manufacturer verifying supplier compliance, our experience with recast layer analysis helps ensure your components meet demanding specifications.

Our metallurgists understand the relationship between EDM parameters, recast layer characteristics, and component performance. This knowledge helps us provide not just test results, but practical guidance on controlling these critical surface defects.

Take Action on EDM Quality

If you're working with EDM-machined components—whether producing them in-house or receiving them from suppliers—recast layer analysis provides essential quality assurance. Don't wait for field failures to reveal surface defects that metallographic analysis would have caught during production.

Contact MSI Lab at (937) 813-4878 or visit us at 331 E. Helena Street, Dayton, OH 45404 to discuss your EDM recast layer analysis requirements. Our team can recommend appropriate sampling strategies, explain specification requirements, and provide the detailed metallographic analysis that keeps your quality program on track.

Ready for the next step? Request a quote today!
Previous
Previous

Alpha Case in Titanium: Why Aerospace Manufacturers Need Accurate Measurement and Removal Validation