Metallurgical Testing Gallery Microstructure Analysis & Lab Images
Microstructure
-
10kt Gold Sheet Material, 200X
-
Cobalt Alloy
-
Galvanized Coating
-
Cast Inconel 718, 100X
-
Cast Inconel 718, 100X
-
Haynes 188
-
Interdendritic Flake Graphite (as polished)
-
Aluminum with Si Precipitates
-
Ductile Cast Iron Ferrite-Pearlite
-
Ferrite at Prior Austenite Grain Boundary
-
304L Stainless Steel, 200X
-
MAR-M-247 Superalloy
-
304LSS with Nonuniform Grain Structure
-
Titanium 6Al-4V Alpha-Beta Alloy
-
1144 Resulfurized Carbon Steel
-
C93200 Bearing Bronze, (Etched) 100X
-
625 Inconel, (Etched) 500X
-
1045 Carbon Steel, (Etched) 500X
-
Gray Cast Iron, (Etched) 500X
-
Nickel Braze Alloy, 100x
-
Sensitized Austenitic Stainless Steel
Fractures
-
Fracture Initiation 50x
-
Forming Crack Before Heat Treatment
-
Interdendritic Fracture, 500X
-
Fatigue in Aluminum, 4000X
-
Fracture Features, SEM 50X
-
Fatigue Striations, Shaft Fracture, BEI 1500X
-
Ductile Overload, SEM 1000X
Joining Methods
-
Laser Weld Joining Two Different Metals
-
Electron Beam Weld, 12.5X
-
Fillet Weld in Austenitic Stainless Steel Sheet, 12.5X
-
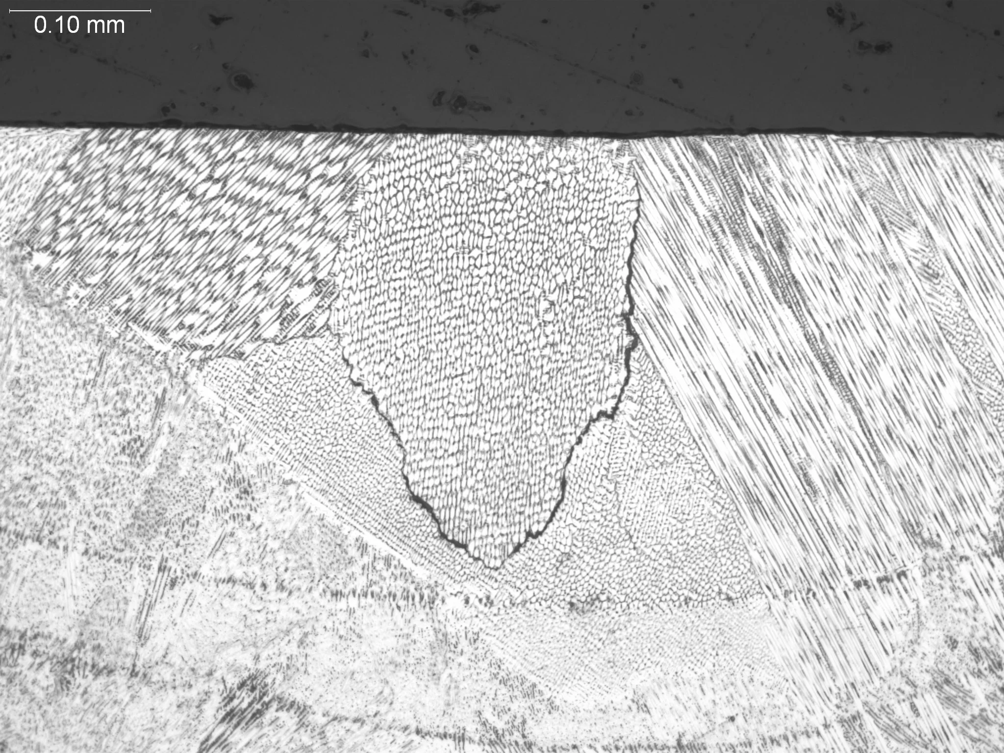
Laser Beam Weld, 100X
Corrosion
-
Microbiologically Influenced Corrosion (MIC) with Stress Corrosion Cracking (SCC)in Hot Water Pipe, 100X
-
Corrosion of Bronze, 500X
-
Pitting Corrosion, 50X
-
Stress Corrosion Cracking (SCC) in Hot Water Pipe, 100X
-
Filiform Corrosion, BEI 100X
Defects
-
Alpha Case on Titanium
-
Alpha Case on Titanium
-
Carburization in Nickel, 500X
-
EDM Recast Layer on A286 Fe Superalloy
-
EDM Recast Layer on Titanium, 500X
-
Laser Weld Interdendritic Cracking, 200X
-
Recast Layer
-
EDM Recast Layer with Cracks into Base
-
Intergranular Oxidation in Case Hardened Layer of 8620 LA Steel
-
Liquid Metal Embrittlement in Tube
-
Shrinkage in Cast 356 Al
-
Thermocouple Brazed to Sheet Material Showing Signs of Erosion, (Etched) 100X
-
Intergranular Oxidation in Boiler Tube, 500x
-
Graphitization in Boiler Tube, 500x
-
Alpha Case in Cast Titanium, 100x
-
Alpha Case in Cast Titanium, 100x
-
Incipient Melting on Steel, 1000x (SEM)
Scanning Electron Microscopy (SEM)
-
Zinc Phosphate Crystals, SEM 1500X
-
Dendritic Structure of 3D Printed 316L Stainless Steel, SEM 10,000X
-
Alloy in Powdered Form, SEM 1000X
-
Linescan Image of Coated Surface, 500X